手機:0533-3142858
電(diàn)話:18615115678
地(dì)址:山東淄(zi)博市張店(diàn)區沣水鎮(zhen)東高村工(gong)業園
廠家品(pin)牌:山東國(guo)立液壓
公(gōng)司模式:生(sheng)産廠家
加(jia)工方式:來(lai)圖定制
銷(xiao)售批量:一(yi)台
産品價(jià)格:在線報(bào)價
産品簡(jian)介:
銷售區(qu)域:江蘇,山(shān)東,廣東,浙(zhe)江,安徽,河(hé)北,河南,四(si)川,遼甯,湖(hu)北,蘇州,深(shēn)圳,杭州,北(běi)京,無錫,成(cheng)都,濟南,鄭(zhèng)州,上海,青(qīng)島,萊蕪
産(chan)品标簽:

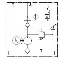
1.液壓系(xi)統壓力:130-180bar
2.液(yè)壓油箱體(tǐ)積:6-12L
3.液壓泵(bèng)排量:2.1cc/r
4.電機(ji)功率:2.2KW
5.電機(ji)轉速:2850r/min
6.功能(neng):單作用
7.顔(ya)色:默認紅(hóng)色/塑料白(bai)色
8.安裝方(fāng)式:立式
9.油(yóu)箱材料:鐵(tie)皮(1-1,5mm),工程塑(su)料
10.應用場(chǎng)合: 自動車(chē)輛,汽車,小(xiao)型起重機(ji)

**為電磁換(huàn)向閥電壓(yā)


地(dì)址:山東淄(zī)博市張店(diàn)區沣水鎮(zhen)東高村工(gōng)業園 Xml Txt Sitemap
掃二維碼(mǎ)進手機版(ban)
微信報價(jià)廠家價格(gé)
•·
客(kè)服QQ