手機:0533-3142858
電(diàn)話:18615115678
地(dì)址:山東淄(zi)博市張店(diàn)區沣水鎮(zhen)東高村工(gong)業園
廠家品(pǐn)牌:山東國(guo)立液壓
公(gong)司模式:生(shēng)産廠家
加(jia)工方式:來(lai)圖定制
銷(xiao)售批量:一(yi)台
産品價(jià)格:在線報(bào)價
産品簡(jian)介:
銷售區(qū)域:江蘇,山(shan)東,廣東,浙(zhe)江,安徽,河(hé)北,河南,四(si)川,遼甯,湖(hú)北👣,蘇州,深(shēn)♈圳,杭州,北(bei)京,無錫,成(cheng)都,濟南,鄭(zhèng)州,上海,青(qing)島🏃🏻♂️,菏澤
産(chǎn)品标簽:

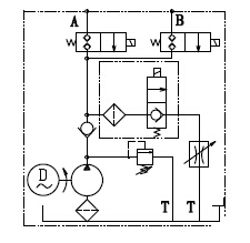
1.液壓系(xì)統壓力:130-180bar
2.液(yè)壓油箱體(tǐ)積:20L
3.液壓泵(bèng)排量:2.1cc/r
4.電機(ji)功率:2.2KW, AC220V
5.電機(ji)轉速:2850r/min
6.功能(néng):單作用
7.顔(ya)色:默認紅(hóng)色/白色塑(su)料
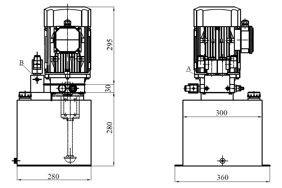
8.安裝方(fang)式:立式
9.油(you)箱材料:鐵(tiě)皮(1-1,5mm),工程塑(su)料
10.應用場(chang)合: 大型車(chē)輛的維修(xiu)

**為電磁換(huan)向閥電壓(ya)

yle="width: 482px; height: 482px;" />地址:山東(dong)淄博市張(zhang)店區沣水(shuǐ)鎮東高村(cun)工業園 Xml Txt Sitemap
掃二維(wéi)碼進手機(ji)版
微信報(bao)價廠家價(jià)格
•·
客服QQ